Technikkatalog
IR-Scheinwerfer FG-125
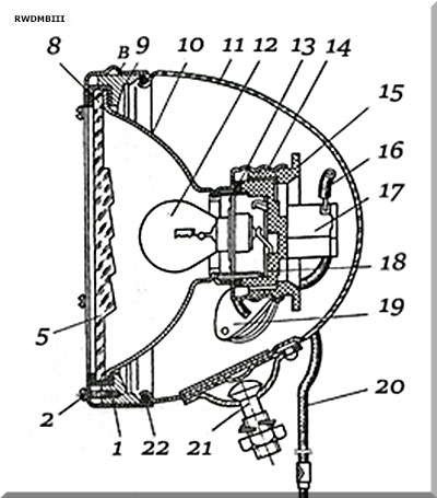
![]() IR-Scheinwerfer ohne Abdeckung ![]() Aufbau |
Bestimmung: Infrarotlichtquellen für gepanzerte Fahrzeuge Nutzung mit dem Nachtsichtvisieren TWNE-1, TWNE-4PA techn. Daten - Spannung: 27 V - Leistungsaufnahme: 40 W - Abmessungen: 170 x 137 x 70 mm wesentliche Bestandteile: - Lichtfilterlinse (5) - Reflektor (10) - Scheinwerfergehäuse (11) - Glühlampe TN-5 (12) |
Quelle: vk.com, bmz.ru

